

産品中心 PRODUCT DISPLA
NHR-1100簡易單回路數顯表
簡易型數字顯示控制儀
NHR-1100/1104系列簡易型單回路數字顯示控制儀
■概述 NHR-1100/1104系列簡易型單回路數字顯示控制儀采用模塊化結構,結構簡單、操作方便、性價比高,适用于塑料、食品、包裝機械等行業。 ■産品特點
●單路輸入,雙屏LED數碼顯示。 |
■技術參數 |
測量精度: | ±0.3%FS |
顯示範圍: | -1999~9999 |
報警輸出: | 帶上限、下限報警方式可選,帶報警回差設置功能。 觸點容量:AC125V/0.5A(小);DC24V/0.5A(小)(阻性負載) AC220V/2A(大);DC24V/2A(大)(阻性負載) (!注:當負載超過繼電器觸點容量時,請不要直接帶負載) |
變送輸出: | 模拟量輸出:4~20mA、1~5V、0~10mA、0~5V、0~20mA、0~10V |
通訊輸出: | RS485、RS232标準串行雙向通訊接口, RS485-二線制,通訊距離≤1000米 RS232-三線制,通訊距離≤15米 采用标準MODBUS RTU通訊協議,1位起始位、8位數據位、1位停止位、 無奇偶校驗、波特率1200~19200bps |
饋電輸出: | DC24V饋電輸出,負載電流≤30mA(負載電阻≥750Ω)爲現場變送器配電。 |
供電電源: | 開關電源AC/DC100~240V 頻率50/60Hz 功耗≤5W 開關電源DC12~36V 功耗≤3W |
使用環境: | -10~50℃(無凝露,無結冰) |
■儀表面闆

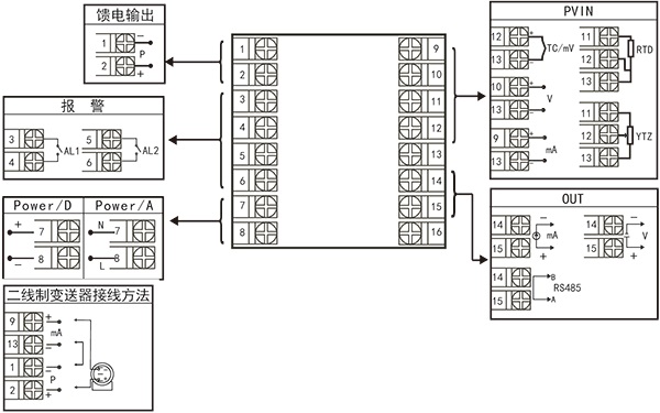
■接線圖

規格尺寸爲A、B、C、D、E型接線圖

規格尺寸爲F型接線圖

規格尺寸爲H型接線圖 |
● 注:上述接線圖中在同一組端子标有不同功能的,隻能選擇其中一種功能。如RS485通訊功能和變送輸出功能在同一組OUT接線端子上,隻能選擇一種。 |
■儀表選型 |
NHR-1100□-□-□/□/□( )-□-( ) 簡易型單回路數字顯示控制儀 ① ② ③ ④ ⑤ ⑥ ⑦ NHR-1104□-□-□/□/□( )-□-( ) 簡易型單回路數字顯示控制儀,1℃分辨率 ① ② ③ ④ ⑤ ⑥ ⑦ |
①規格尺寸 | ②輸入分度号 | ||
代碼 | 寬*高*深 | 代碼 | 分度号(測量範圍) |
A | 160*80*110mm(橫式) | 00 | 熱電偶B(400~1800℃) |
③輸出(OUT) | |||
代碼 | 輸出類型(負載電阻RL) | ||
X | 無輸出 | ||
④報警(繼電器觸點輸出) | |||
代碼 | 報警限數 | ||
X | 無輸出 | ||
⑤饋電輸出 | |||
代碼 | 饋電輸出(輸出電壓) | ||
X | 無輸出 | ||
⑥供電電源 | |||
代碼 | 電壓範圍 | ||
A | AC/DC100~240V(50/60Hz) | ||
⑦備注 | |||
無備注可省略 | |||
■備注: |
1、選型時請根據接線圖來選擇功能,由于尺寸小的儀表接線端子少帶不了全功能,有的功能在同組端子上隻能選擇其中一種功能。 |
大連虹潤電子有限公司
公司地址:大連市沙河口區前程街9号-1-501室
電 話:0411-8424 6359
傳 真:0411-8424 6359
手 機:137 9515 1355
Q Q:582016043
943487835
郵 編:116021
郵 箱:dlhongrun@163.com
網 址:www.dlhrgs.com
聯 系 人:韓先生








